增量实心轴编码器,
多达 25000 ppr,
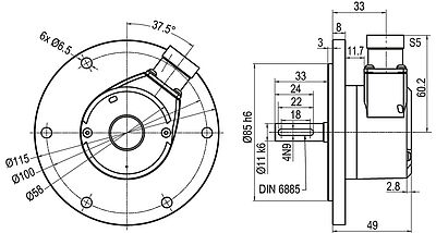
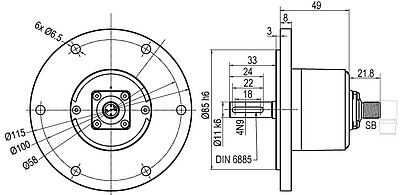
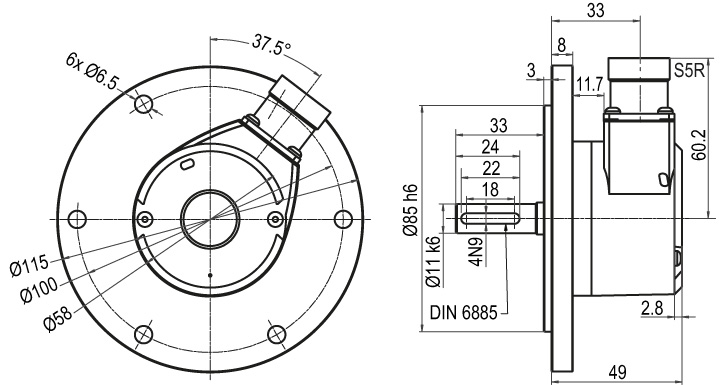
转速法兰:Ø 115 mm
轴:Ø 11mm,
防护等级:多达整体IP67,
波形:方波或正余弦波,
工作原理: 光学

- 带坚固转速法兰的“数字转速传感器”
- 外壳压铸铝,涂特殊的环保粉末涂料
- 脉冲高达25000 PPR,用于高精度等级的电子设备
- 极高的抗干扰性,防变频器干扰
- 防护等级达IP67,轴防护IP65
- 轴径11 mm
- 直流10-30V,整体连接保护
- 高输出频率600KHZ/2MHZ
- 可选择:工作温度-40 °C~ +85 °C的型号, 整体防护达IP67的型号, 压力补偿隔膜
轴长: 33 mm
轴允许最大负载径向: 200 N
轴允许最大负载轴向: 120 N
消耗电流: typ. 70 mA (100 mA 仅限 F05, P05)
消耗电流: typ. 70 mA
消耗电流: typ. 70 mA (100 mA 仅限 F24, P24, 645)
环境参数
ESD (DIN EN 61000-4-2):
8 kV
Burst (DIN EN 61000-4-4):
2 kV
包括EMC:
DIN EN 61000-6-2
DIN EN 61000-6-3
Vibration:
(DIN EN 60068-2-6)
50 m/s2 (10 Hz~2000 Hz)
Shock:
(DIN EN 60068-2-27)
1000 m/s2 (6 ms)
Electrial Safety:
符合DIN VDE 0160
Customs information
Customs tariff number:
90318020
Country of origin:
Germany
1 Vpp Sin/Cos: -10°C ~ +70°C
| 描述 | ABN带反向信号 | |
|---|---|---|
| K2 | 轴向, 屏蔽线未与编码器外壳连接 | ● |
| L2 | 轴向, 屏蔽线与编码器外壳连接 | ● |
| K2, L2 | K2, L2 | L2 | |
| 电路 | F05, H05, F24, H24, H30 | P05, R05, P24, R24, 245, 645, R30 | SIN |
| 负极 GND | 白色 | 白色 | 白色 |
| 正极 (+) Vcc | 棕色 | 棕色 | 棕色 |
| A | 绿色 | 绿色 | 绿色 |
| B | 黄色 | 黄色 | 灰色 |
| N | 灰色 | 灰色 | - |
| - | - | - | - |
| A 反向 | - | 红色 | 黄色 |
| B 反向 | - | 黑色, (ACA:蓝色) | 粉色 |
| N 反向 | - | 紫色 | - |
| 屏蔽 | 多股绞合线 | 多股绞合线 | 多股绞合线 |
| 描述 | ABN带反向信号 | |
|---|---|---|
| K3 | 径向, 屏蔽线未与编码器外壳连接 | ● |
| L3 | 径向, 屏蔽线与编码器外壳连接 | ● |
| K3, L3 | K3, L3 | L3 | |
| 电路 | F05, H05, F24, H24, H30 | P05, R05, P24, R24, 245, 645, R30 | SIN |
| 负极 GND | 白色 | 白色 | 白色 |
| 正极 (+) Vcc | 棕色 | 棕色 | 棕色 |
| A | 绿色 | 绿色 | 绿色 |
| B | 黄色 | 黄色 | 灰色 |
| N | 灰色 | 灰色 | - |
| - | - | - | - |
| A 反向 | - | 红色 | 黄色 |
| B 反向 | - | 黑色, (ACA:蓝色) | 粉色 |
| N 反向 | - | 紫色 | - |
| 屏蔽 | 多股绞合线 | 多股绞合线 | 多股绞合线 |
| 描述 | ABN带反向信号 | |
|---|---|---|
| SI5 | 轴向, 5-pin, 连接器与编码器外壳连接 | - |
| SI6 | 轴向, 6-pin, 连接器与编码器外壳连接 | - |
| SI8 | 轴向, 8-pin, 连接器与编码器外壳连接 | ● |
| SI12 | 轴向, 12-pin, 连接器与编码器外壳连接 | ● |
| SI5 | SI6 | SI8 | SI8 | SI12 | SI12 | |
| 5-pin | 6-pin | 8-pin | 8-pin | 12-pin | 12-pin | |
| 连接器图纸 |
|
|
|
| ||
| 电路 | F05, H05, F24, H24, H30 | F05, H05, F24, H24, H30 | P05, R05, P24, R24, R30, 245, 645 | SIN | P05, R05, P24, R24, 245, 645, R30 | SIN |
| 负极 GND | 1 | 6 | 1 | 1 | K, L | K, L |
| 正极 (+) Vcc | 2 | 1 | 2 | 2 | M, B | M, B |
| A | 3 | 2 | 3 | 3 | E | E |
| B | 4 | 4 | 4 | 4 | H | H |
| N | 5 | 3 | 5 | - | C | - |
| - | - | - | - | - | - | - |
| A 反向 | - | - | 6 | 6 | F | F |
| B 反向 | - | - | 7 | 7 | A | A |
| N 反向 | - | - | 8 | - | D | - |
| n. c. 空置 | - | 5 | - | 5, 8 | G, J | D, G, J |
| 屏蔽 | - | - | - | - | - | - |
| 描述 | ABN带反向信号 | |
|---|---|---|
| SH5 | 径向, 5-pin, 连接器与编码器外壳连接 | - |
| SH6 | 径向, 6-pin, 连接器与编码器外壳连接 | - |
| SH8 | 径向, 8-pin, 连接器与编码器外壳连接 | ● |
| SH12 | 径向, 12-pin, 连接器与编码器外壳连接 | ● |
| SH5 | SH6 | SH8 | SH8 | SH12 | SH12 | |
| 5-pin | 6-pin | 8-pin | 8-pin | 12-pin | 12-pin | |
| 连接器图纸 |
|
|
|
| ||
| 电路 | F05, H05, F24, H24, H30 | F05, H05, F24, H24, H30 | P05, R05, P24, R24, R30, 245, 645 | SIN | P05, R05, P24, R24, 245, 645, R30 | SIN |
| 负极 GND | 1 | 6 | 1 | 1 | K, L | K, L |
| 正极 (+) Vcc | 2 | 1 | 2 | 2 | M, B | M, B |
| A | 3 | 2 | 3 | 3 | E | E |
| B | 4 | 4 | 4 | 4 | H | H |
| N | 5 | 3 | 5 | - | C | - |
| - | - | - | - | - | - | - |
| A 反向 | - | - | 6 | 6 | F | F |
| B 反向 | - | - | 7 | 7 | A | A |
| N 反向 | - | - | 8 | - | D | - |
| n. c. 空置 | - | 5 | - | 5, 8 | G, J | D, G, J |
| 屏蔽 | - | - | - | - | - | - |
| 描述 | ABN带反向信号 | |
|---|---|---|
| S2 | 轴向, 7-pin, 连接器与编码器外壳连接 | - |
| 描述 | ABN带反向信号 | |
|---|---|---|
| S3 | 径向, 7-pin, 连接器与编码器外壳连接 | - |
| 描述 | ABN带反向信号 | |
|---|---|---|
| S4 | 轴向, 12-pin, 连接器与编码器外壳连接 | ● |
| 描述 | ABN带反向信号 | |
|---|---|---|
| S5 | 径向, 12-pin, 连接器与编码器外壳连接 | ● |
| 描述 | ABN带反向信号 | |
|---|---|---|
| S4R | 轴向, 12-pin, 连接器与编码器外壳连接 | ● |
| 描述 | ABN带反向信号 | |
|---|---|---|
| S5R | 径向, 12-pin, 连接器与编码器外壳连接 | ● |
| 描述 | ABN带反向信号 | |
|---|---|---|
| SB4 | 轴向, 4-pin, 连接器与编码器外壳连接 | - |
| SB5 | 轴向, 5-pin, 连接器与编码器外壳连接 | - |
| SB8 | 轴向, 8-pin, 连接器与编码器外壳连接 | ● |
| SB12 | 轴向, 12-pin, 连接器与编码器外壳连接 | ● |
| 描述 | ABN带反向信号 | |
|---|---|---|
| SC4 | 径向, 4-pin, 连接器与编码器外壳连接 | - |
| SC5 | 径向, 5-pin, 连接器与编码器外壳连接 | - |
| SC8 | 径向, 8-pin, 连接器与编码器外壳连接 | ● |
| SC12 | 径向, 12-pin, 连接器与编码器外壳连接 | ● |
~ 2500 PPR
最大5000 PPR
(高频响应) 1200 ~ 25000 PPR
1024, 2048 PPR
| 最大转速RPM: | 3200 rpm |
| 可允许轴向轴负载: | 100 N |
| 可允许径向轴负载: | 120 N |
| 最大脉冲PPR: | 25000 ppr |
| 起动力矩: | 常温 5 Ncm |
WDGI 115M实心轴编码器也可以选用带压力补偿隔膜的型号。
该功能可有效阻止水分在高空气
湿度的环境下从外部进入编码器。
IP67防护等级,工作温度范围和耐盐雾腐蚀性的功能都得到了保留,
耐化学腐蚀和溶剂符合DIN EN ISO 2812-1.
请在标准订货型号后加上三位数字来指定需要的电缆长度,单位为分米.
举例: 5 m 电缆 = 050
- Die-cast aluminium housing, powder coated
- Maximum bearing loads of up to 500 N, axial / radial
- Self-adhesive membrane
- High output frequency 600 kHz / 2 MHz
- Extended operating temperature -40 °C to +85 °C
- Incremental and absolute encoders
- Digital shaft copying
- Made in Germany
- Motorfeedback
- Position Measurement Systems
for Wachendorff Automation GmbH & Co. KG.
母头连接器 KD-8-40-15-S-DIZ :
使用变频器 : Emotron
适用于连接器出线的 SI8/SH8, 8pin, IP40.
连接器 (Sub-D 15pin, 2行).
直头母头连接器带屏蔽电缆和连接器Sub-D.
母头连接器/连接器外壳与屏蔽线连接
母头连接器 KD-8-40-15-S-RST :
使用变频器 : RST
适用于连接器出线的 SI8/SH8, 8pin, IP40.
连接器 (Sub-D 15pin, 2行).
直头母头连接器带屏蔽电缆和连接器Sub-D.
母头连接器/连接器外壳与屏蔽线连接
母头连接器 KD-8-40-15-S-SDR :
使用 Schindler MX控制器
适用于连接器出线的 SI8/SH8, 8pin, IP40.
连接器 (Sub-D 15pin, 2行).
直头母头连接器带屏蔽电缆和连接器Sub-D.
母头连接器/连接器外壳与屏蔽线连接
母头连接器 KD-8-40-15-S-CTF :
使用变频器 : Control Techniques
适用于连接器出线的 SI8/SH8, 8pin, IP40.
连接器 (Sub-D 15pin, 3行).
直头母头连接器带屏蔽电缆和连接器Sub-D.
母头连接器/连接器外壳与屏蔽线连接
母头连接器 KD-8-40-15-S-KEB :
使用变频器 : KEB
适用于连接器出线的 SI8/SH8, 8pin, IP40.
连接器 (Sub-D 15pin, 3行).
直头母头连接器带屏蔽电缆和连接器Sub-D.
母头连接器/连接器外壳与屏蔽线连接
母头连接器 KD-8-40-15-S-LOH:
使用变频器 : Flender Loher 的类型 : Dynavert L
适用于连接器出线的 SI8/SH8, 8pin, IP40.
连接器 (Sub-D 15pin, 3行).
直头母头连接器带屏蔽电缆和连接器Sub-D.
母头连接器/连接器外壳与屏蔽线连接
母头连接器 KD-8-40-15-S-LIF :
使用变频器 : Liftequip
适用于连接器出线的 SI8/SH8, 8pin, IP40.
连接器 (Sub-D 9pin, 2行).
直头母头连接器带屏蔽电缆和连接器Sub-D.
母头连接器/连接器外壳与屏蔽线连接
母头连接器 KD-8-40-15-S-ZIL :
使用变频器 : Ziehl-Abegg
适用于连接器出线的 SI8/SH8, 8pin, IP40.
连接器 (Sub-D 9pin, 2行).
直头母头连接器带屏蔽电缆和连接器Sub-D.
母头连接器/连接器外壳与屏蔽线连接
Here you find a list of our distributors worldwide





















































