WDG 58R
增量实心轴编码器,
多达 25000 ppr,
锥形轴(带定子联轴器)
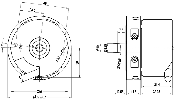
外壳: Ø 58mm
轴:cone 1/10,
防护等级达IP67,轴防护IP65
波形:方波或正余弦波,
工作原理: 光学

Illustration similar
特点
- 脉冲高达25000 PPR,用于高精度等级的电子设备
- 极高的机械和电气安全性能
- 极高的抗干扰性
- 直流10-30V,整体连接保护
- 高输出频率600KHZ/2MHZ
产品详细说明
法兰
stator coupling
每圈最大脉冲数/PPR
最大25000 PPR
外壳
Ø 58 mm
铝
轴径
Ø 圆锥体 1/10; 9,25mm [Ø 3/8"] Order No. 10
轴长: 16.5 mm
轴允许最大负载径向: 80 N
轴允许最大负载轴向: 60 N
轴长: 16.5 mm
轴允许最大负载径向: 80 N
轴允许最大负载轴向: 60 N
最大运行速度
6000 rpm
工作原理
光学
输出电路
TTL
TTL, RS422 兼容., 带反相
HTL
HTL, 带反相
1 Vpp Sin/Cos
输出频率
TTL ≤ 5000 ppr, max. 200 kHz
HTL ≤ 5000 ppr, max. 200 kHz
TTL > 1200 ppr, max. 2 MHz
HTL > 1200 ppr, max. 600 kHz
1 Vpp sin/cos, max. 100 kHz
供电电压
4.75 VDC ~ 5.5 VDC
消耗电流: typ. 70 mA (100 mA 仅限 F05, P05)
消耗电流: typ. 70 mA (100 mA 仅限 F05, P05)
5 VDC ~ 30 VDC
消耗电流: typ. 70 mA
消耗电流: typ. 70 mA
10 VDC ~ 30 VDC
消耗电流: typ. 70 mA (100 mA 仅限 F24, P24, 645)
消耗电流: typ. 70 mA (100 mA 仅限 F24, P24, 645)
环境参数
ESD (DIN EN 61000-4-2):
8 kV
Burst (DIN EN 61000-4-4):
2 kV
包括EMC:
DIN EN 61000-6-2
DIN EN 61000-6-3
Vibration:
(DIN EN 60068-2-6)
50 m/s2 (10 Hz~2000 Hz)
Shock:
(DIN EN 60068-2-27)
1000 m/s2 (6 ms)
Electrial Safety:
符合DIN VDE 0160
Customs information
Customs tariff number:
90318020
Country of origin:
Germany
工作温度
-20°C ~ +80°C
1 Vpp Sin/Cos: -10°C ~ +70°C
1 Vpp Sin/Cos: -10°C ~ +70°C
防护等级
外壳: IP65, IP67; 主轴密封: IP65
| 描述 | ABN带反向信号 | |
|---|---|---|
| T3 | tangential, 屏蔽线与编码器外壳连接 | ● |
分配
| T3 | T3 | T3 | |
| 电路 | F05, H05, F24, H24, H30 | P05, R05, P24, R24, 245, 645, R30 | SIN |
| 负极 GND | 白色 | 白色 | 白色 |
| 正极 (+) Vcc | 棕色 | 棕色 | 棕色 |
| A | 绿色 | 绿色 | 绿色 |
| B | 黄色 | 黄色 | 灰色 |
| N | 灰色 | 灰色 | - |
| - | - | - | - |
| A 反向 | - | 红色 | 黄色 |
| B 反向 | - | 黑色, (ACA:蓝色) | 粉色 |
| N 反向 | - | 紫色 | - |
| 屏蔽 | 多股绞合线 | 多股绞合线 | 多股绞合线 |
~ 2500 PPR
最大5000 PPR
(高频响应) 1200 ~ 25000 PPR
1024, 2048 PPR
编码器 WDG 58R也有特殊的可平滑运行的低摩擦轴承的型号。启动力矩因此可变为 ≤ 0.5 Ncm 且轴防护等级为 IP50。
编码器WDG 58R可以提供超过2米的电缆。 最大电缆长度取决于供电电压和频率;请参考 '综合技术参数'
请在标准订货型号后加上三位数字来指定需要的电缆长度,单位为分米.
举例: 5 m 电缆 = 050
请在标准订货型号后加上三位数字来指定需要的电缆长度,单位为分米.
举例: 5 m 电缆 = 050

Short-Catalogue Encoders and systems
- Incremental and absolute encoders
- Digital shaft copying
- Made in Germany
- Motorfeedback
- Position Measurement Systems
For further information please contact our local distributor.
Here you find a list of our distributors worldwide
Here you find a list of our distributors worldwide
您希望获取产品的报价或者希望我们回电。 Yes












































