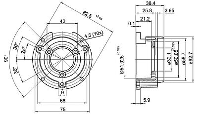
MG58A
安装钟MG58A
合适的增量式编码器 WDGI 58A.
合适的绝对值编码器 WDGA 58A.

Illustration similar
材质
Fortron® (PPS)
订货型号
MG58A
安装钟 for WDGI 58A 和 WDGA 58A
For further information please contact our local distributor.
Here you find a list of our distributors worldwide
Here you find a list of our distributors worldwide
您希望获取产品的报价或者希望我们回电。 Yes









