WDGMA5105x
弹簧杆适合轴编码器 58B, 58D, 58K, 58N 和 58T
用于长度测量

Illustration similar
Highlights
- Variable installation from below, from above, horizontal, vertical
- Adjustable prestresing force: 5 N up to 30 N (in steps of 5 N)
- Can be combined with all measuring wheels of 200 mm and 500 mm circumference
- Available in two loading directions
弹簧动程
Spring travel at tension:
5 N = 90°
10 N = 80°
...
30 N = 40°
Gewicht
约 755 g
订货型号
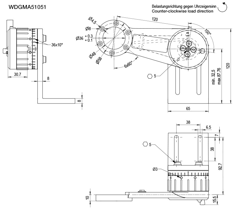
WDGMA51051
载荷方向, 逆时针
WDGMA51052
载荷方向, 顺时针
For further information please contact our local distributor.
Here you find a list of our distributors worldwide
Here you find a list of our distributors worldwide
您希望获取产品的报价或者希望我们回电。 Yes










