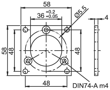
QF58B
方形法兰QF58B
适用于增量编码器WDGI 58B, 58K, 58D, 58N, WDG 58T和磁性绝对值编码器WDGA58B, WDGA58D

Illustration similar
                  材质
              
                  铝黑色阳极氧化
              
订货型号
                  QF58B
              
                  方形法兰
              
所有尺寸标注单位为mm

								  	For further information please contact our local distributor. 
Here you find a list of our distributors worldwide
Here you find a list of our distributors worldwide
					您希望获取产品的报价或者希望我们回电。 Yes










 up
 up 联系我们
联系我们 要求
要求