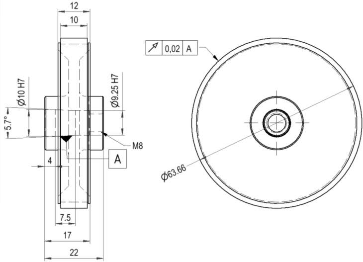
MRA200KW10
测量轮 (conical) MRA200KW10
周长200mm,
面:塑料(聚氨酯,平稳)
应用领域:纸板,木材,软塑料,纺织,皮革,造纸,线材,型材,脂润滑金属,油漆表面。
For measuring systems:
LMSMA22-conical and LMSMA32-conical.

Illustration similar
周长
200 mm ±0.2 mm
表面处理
塑料 (聚氨酯 even)
硬度/邵氏A型
90
转动惯量
3 x 10³ gcm²
轮体材质
铝
标准孔径
Ø10mm (conical)
宽度
12 mm
工作温度
-30°C ~ +80°C
重量
60 g
订货型号
MRA200KW10
测量轮(conical), 缸径 Ø 10 mm
您需要的STEP文件没有被列出:
需要STEP文件 这里
For further information please contact our local distributor.
Here you find a list of our distributors worldwide
Here you find a list of our distributors worldwide
您希望获取产品的报价或者希望我们回电。 Yes









