磁性绝对值实心轴编码器, CANopen WDGA 36C,
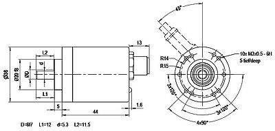
伺服法兰:36mm
16位/43位 单圈/多圈;
轴径:Ø 6mm;
遵循CiA 301通信协议
编码器 CiA 406 V3.2 Class C2 设备协议;
二进制码

- CANopen
- 遵循CiA 301通信协议
- 编码器 CiA 406 V3.2 Class C2 设备协议 - 状态指示灯(CIA303-3)
- 客户端软件中的标准设置可以通过LSS(CiA 305)和SDO协议进行修改,如PDOs,比例,心跳协定,节点ID,波特率等。
65,536步/圈 (16位)
多圈分辨率最大达32位
高精度可达高达43位
轴长: 12 mm
轴允许最大负载径向: 80 N
轴允许最大负载轴向: 50 N
消耗电流: typ. 50 mA
功耗: max. 0.5 W
| 描述 | |
|---|---|
| CB5 | 轴向, 5-pin, 屏蔽线与编码器外壳连接 |
| 描述 | |
|---|---|
| CC5 | 径向, 5-pin, 屏蔽线与编码器外壳连接 |
| 描述 | |
|---|---|
| L1 | 径向, 屏蔽线与编码器外壳连接 (IP40) |
| (+) Vcc | 棕色 |
| GND | 白色 |
| CANHigh | 绿色 |
| CANLow | 黄色 |
| CANGND/屏蔽 | 屏蔽线 |
| 描述 | |
|---|---|
| L2 | 轴向, 屏蔽线与编码器外壳连接 |
| (+) Vcc | 棕色 |
| GND | 白色 |
| CANHigh | 绿色 |
| CANLow | 黄色 |
| CANGND/屏蔽 | 屏蔽线 |
| 描述 | |
|---|---|
| L3 | 径向, 屏蔽线与编码器外壳连接 |
| (+) Vcc | 棕色 |
| GND | 白色 |
| CANHigh | 绿色 |
| CANLow | 黄色 |
| CANGND/屏蔽 | 屏蔽线 |
| 描述 | |
|---|---|
| K6 | 轴向, 屏蔽线未与编码器外壳连接 |
| (+) Vcc | 棕色 |
| GND | 白色 |
| CANHigh | 绿色 |
| CANLow | 黄色 |
| CANGND/屏蔽 | 灰色 |

...to be directly installed in motors.

- Absolute encoders with flange Ø 36 mm / Ø 58 mm
- Single-/Multiturn (16/43 bit)
- Ground-breaking technology 32 Bit processor
- Very high shaft loading, IP67
- EnDra® Multiturn technology: No gears, no battery
- QuattroMag® Singleturn technology: High precision +/- 0,0878°

- Incremental and absolute encoders
- Digital shaft copying
- Made in Germany
- Motorfeedback
- Position Measurement Systems

EDS file for encoder absolute WDGA singleturn, CANopen.
By downloading and using software and apps
from this homepage, I agree to the GTC and
the supplementary software clause.

EDS file for encoder absolute WDGA multiturn, CANopen.
By downloading and using software and apps
from this homepage, I agree to the GTC and
the supplementary software clause.

波纹管联轴器 BK29
用于与轴直径6毫米,8毫米,10毫米或12毫米*编码器。
Max. offset of shafts radial: ± 0,25 mm or ± 0,30 mm*
Torsion spring stiffness: 150 Nm/rad or 130 Nm/rad*

弹性联轴器 DSK29
用于与轴直径6毫米,8毫米或10毫米编码器。
No moving parts, thermally and electrically insulating, smooth running, maintenance-free.
Good resistance to
Gasoline, oil, benzene, toluene, aromatic and non aromatic hydrocarbons, alcohols, glycols, solvents and many chemicals.

弹性联轴器 DSK38
用于与轴直径6毫米,8毫米,10毫米或12毫米编码器。
No moving parts, thermally and electrically insulating, smooth running, maintenance-free.
Good resistance to
Gasoline, oil, benzene, toluene, aromatic and non aromatic hydrocarbons, alcohols, glycols, solvents and many chemicals.

测量轮 MR150GR06
周长150mm,
面:: O-ring 3,5 mm, material NBR70
应用领域:Wood, metal, conveyor belts, paper, textiles.
用于与轴直径6毫米编码器

测量轮 MRA200KH
周长200mm,
面:塑料(聚氨酯,平稳)
应用领域:纸板,木材,软塑料,纺织,皮革,造纸,线材,型材,脂润滑金属,油漆表面。
用于与轴直径6毫米,10毫米或12毫米编码器。

测量轮 MRA200NG
周长200mm,
面:塑料(聚氨酯,橡胶防滑钉)
应用领域:塑料,纸张,纸板,木材,纺织品,羊毛,地毯,电缆测量。
用于与轴直径6毫米,10毫米或12毫米编码器。

测量轮 MRA200KG
周长200 mm,
面:塑料(聚氨酯,有凹槽)
应用领域:油漆表面,塑料,纸张,纸板,木材,纺织品,玻璃,地板。
用于与轴直径6毫米,10毫米或12毫米编码器。
WDGA 36A CANopen绝对值编码器也可以提供集成了120欧姆终端电阻的型号。
Here you find a list of our distributors worldwide




















































