增量实心轴编码器,
多达: 16384 ppr,
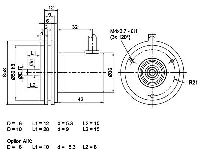
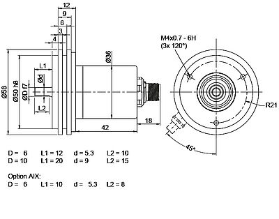
同步法兰:Ø 58 mm
轴:Ø6mm,Ø10mm,
波形:方波,
可设置零脉冲
可在 10-32 VDC 下进行 TTL/RS422 输出,
工作原理: 磁性

- 归功于高质量的电子元件,可以提供高达16384的任意脉冲数
- 防护等级达IP67,轴防护IP65
- 最高输出频率可达1MHz
- 工作电压4.75~32VDC,带反极性保护和短路保护
说明: 建议: 注意: AAO=整体防护IP67
轴长: 12 mm
轴允许最大负载径向: 125 N
轴允许最大负载轴向: 120 N
轴长: 20 mm
轴允许最大负载径向: 220 N
轴允许最大负载轴向: 120 N
消耗电流: typ. 80 mA
设置零脉冲:
启用:SET接入+UB两秒
禁用:SET接入GND
环境参数
ESD (DIN EN 61000-4-2):
8 kV
Burst (DIN EN 61000-4-4):
2 kV
包括EMC:
DIN EN 61000-6-2
DIN EN 61000-6-3
Vibration:
(DIN EN 60068-2-6)
50 m/s2 (10 Hz~2000 Hz)
Shock:
(DIN EN 60068-2-27)
1000 m/s2 (6 ms)
Electrial Safety:
DIN EN 61010-1 (VDE 0411-1) / IEC 61010-1 / UL 61010-1 / CSA C22.0 No 61010-1-12
Customs information
Customs tariff number:
90318020
Country of origin:
Germany
| 描述 | ABN带反向信号 | |
|---|---|---|
| L2 | 轴向, 屏蔽线与编码器外壳连接 | ● |
| L2 | L2 | |
| 电路 | M13, M14 | N13, N14 |
| 负极 GND | 白色 | 白色 |
| 正极 (+) Vcc | 棕色 | 棕色 |
| A | 绿色 | 绿色 |
| B | 黄色 | 黄色 |
| N | 灰色 | 灰色 |
| SET | 粉色 | 粉色 |
| A 反向 | 红色 | - |
| B 反向 | 黑色 | - |
| N 反向 | 紫色 | - |
| 屏蔽 | 多股绞合线 | 多股绞合线 |
| 描述 | ABN带反向信号 | |
|---|---|---|
| L3 | 径向, 屏蔽线与编码器外壳连接 | ● |
| L3 | L3 | |
| 电路 | M13, M14 | N13, N14 |
| 负极 GND | 白色 | 白色 |
| 正极 (+) Vcc | 棕色 | 棕色 |
| A | 绿色 | 绿色 |
| B | 黄色 | 黄色 |
| N | 灰色 | 灰色 |
| SET | 粉色 | 粉色 |
| A 反向 | 红色 | - |
| B 反向 | 黑色 | - |
| N 反向 | 紫色 | - |
| 屏蔽 | 多股绞合线 | 多股绞合线 |
| 描述 | ABN带反向信号 | |
|---|---|---|
| K1 | 径向, 屏蔽线未与编码器外壳连接 (IP40) | ● |
| K1 | K1 | |
| 电路 | M13, M14 | N13, N14 |
| 负极 GND | 白色 | 白色 |
| 正极 (+) Vcc | 棕色 | 棕色 |
| A | 绿色 | 绿色 |
| B | 黄色 | 黄色 |
| N | 灰色 | 灰色 |
| SET | 粉色 | 粉色 |
| A 反向 | 红色 | - |
| B 反向 | 黑色 | - |
| N 反向 | 紫色 | - |
| 屏蔽 | 多股绞合线 | 多股绞合线 |
| 描述 | ABN带反向信号 | |
|---|---|---|
| SB12 | 轴向, 12-pin, 连接器与编码器外壳连接 | ● |
| 描述 | ABN带反向信号 | |
|---|---|---|
| SC12 | 径向, 12-pin, 连接器与编码器外壳连接 | ● |
1-16384 PPR
WDGP 58A绝对值编码器可以提供整体防护IP67的型号。
(full IP67 only connection SB, SC, L2 or L3 version; not cable connection K1 = IP40).
最大转速: 3500 rpm
轴允许最大负载: 轴向100N;径向110N
启动力矩: 常温下大约4Ncm
WDGP 58A 轴长:Ø 6mm轴也有轴长仅为10mm的型号可选。
请在标准订货型号后加上三位数字来指定需要的电缆长度,单位为分米.
举例: 5 m 电缆 = 050

偏心夹紧SP-3-00
合适的增量式编码器 WDG 40A, 50B, 58T, WDGI 58A, 58B, 58C, 58D, 58K, 63B, WDGP 36A, WDGP 58A, WDGP 58B.
合适的绝对值编码器 WDGA 36A, WDGA 58A, WDGA 58B.

波纹管联轴器 BK29
用于与轴直径6毫米,8毫米,10毫米或12毫米*编码器。
Max. offset of shafts radial: ± 0,25 mm or ± 0,30 mm*
Torsion spring stiffness: 150 Nm/rad or 130 Nm/rad*

弹性联轴器 DSK29
用于与轴直径6毫米,8毫米或10毫米编码器。
No moving parts, thermally and electrically insulating, smooth running, maintenance-free.
Good resistance to
Gasoline, oil, benzene, toluene, aromatic and non aromatic hydrocarbons, alcohols, glycols, solvents and many chemicals.

弹性联轴器 DSK38
用于与轴直径6毫米,8毫米,10毫米或12毫米编码器。
No moving parts, thermally and electrically insulating, smooth running, maintenance-free.
Good resistance to
Gasoline, oil, benzene, toluene, aromatic and non aromatic hydrocarbons, alcohols, glycols, solvents and many chemicals.

测量轮 MRA200KH
周长200mm,
面:塑料(聚氨酯,平稳)
应用领域:纸板,木材,软塑料,纺织,皮革,造纸,线材,型材,脂润滑金属,油漆表面。
用于与轴直径6毫米,10毫米或12毫米编码器。

测量轮 MRA200NG
周长200mm,
面:塑料(聚氨酯,橡胶防滑钉)
应用领域:塑料,纸张,纸板,木材,纺织品,羊毛,地毯,电缆测量。
用于与轴直径6毫米,10毫米或12毫米编码器。

测量轮 MRA200KG
周长200 mm,
面:塑料(聚氨酯,有凹槽)
应用领域:油漆表面,塑料,纸张,纸板,木材,纺织品,玻璃,地板。
用于与轴直径6毫米,10毫米或12毫米编码器。
Here you find a list of our distributors worldwide





















































