增量实心轴编码器,
多达 25000 ppr,
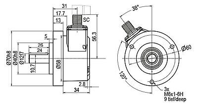
夹紧法兰:Ø 70mm
(WDGI 70B更换WDG 90B)
轴:Ø 12mm,
防护等级:多达整体IP67,
波形:方波或正余弦波,
工作原理: 光学

- 坚固的工业标准编码器
- 外壳压铸铝,涂特殊的环保粉末涂料
- 脉冲高达25000 PPR,用于高精度等级的电子设备
- 防护等级达IP67,轴防护IP65
- 直流10-30V,整体连接保护
- 高输出频率600KHZ/2MHZ
- 可选择:工作温度-40 °C~ +85 °C的型号, 整体防护达IP67的型号, 压力补偿隔膜
轴长: 26 mm
轴允许最大负载径向: 200 N
轴允许最大负载轴向: 150 N
消耗电流: typ. 70 mA (100 mA 仅限 F05, P05)
消耗电流: typ. 70 mA
消耗电流: typ. 70 mA (100 mA 仅限 F24, P24, 645)
环境参数
ESD (DIN EN 61000-4-2):
8 kV
Burst (DIN EN 61000-4-4):
2 kV
包括EMC:
DIN EN 61000-6-2
DIN EN 61000-6-3
Vibration:
(DIN EN 60068-2-6)
50 m/s2 (10 Hz~2000 Hz)
Shock:
(DIN EN 60068-2-27)
1000 m/s2 (6 ms)
Electrial Safety:
符合DIN VDE 0160
Customs information
Customs tariff number:
90318020
Country of origin:
Germany
1 Vpp Sin/Cos: -10°C ~ +70°C
| 描述 | ABN带反向信号 | |
|---|---|---|
| K2 | 轴向, 屏蔽线未与编码器外壳连接 | ● |
| L2 | 轴向, 屏蔽线与编码器外壳连接 | ● |
| K2, L2 | K2, L2 | L2 | |
| 电路 | F05, H05, F24, H24, H30 | P05, R05, P24, R24, 245, 645, R30 | SIN |
| 负极 GND | 白色 | 白色 | 白色 |
| 正极 (+) Vcc | 棕色 | 棕色 | 棕色 |
| A | 绿色 | 绿色 | 绿色 |
| B | 黄色 | 黄色 | 灰色 |
| N | 灰色 | 灰色 | - |
| - | - | - | - |
| A 反向 | - | 红色 | 黄色 |
| B 反向 | - | 黑色, (ACA:蓝色) | 粉色 |
| N 反向 | - | 紫色 | - |
| 屏蔽 | 多股绞合线 | 多股绞合线 | 多股绞合线 |
| 描述 | ABN带反向信号 | |
|---|---|---|
| K3 | 径向, 屏蔽线未与编码器外壳连接 | ● |
| L3 | 径向, 屏蔽线与编码器外壳连接 | ● |
| K3, L3 | K3, L3 | L3 | |
| 电路 | F05, H05, F24, H24, H30 | P05, R05, P24, R24, 245, 645, R30 | SIN |
| 负极 GND | 白色 | 白色 | 白色 |
| 正极 (+) Vcc | 棕色 | 棕色 | 棕色 |
| A | 绿色 | 绿色 | 绿色 |
| B | 黄色 | 黄色 | 灰色 |
| N | 灰色 | 灰色 | - |
| - | - | - | - |
| A 反向 | - | 红色 | 黄色 |
| B 反向 | - | 黑色, (ACA:蓝色) | 粉色 |
| N 反向 | - | 紫色 | - |
| 屏蔽 | 多股绞合线 | 多股绞合线 | 多股绞合线 |
| 描述 | ABN带反向信号 | |
|---|---|---|
| SI5 | 轴向, 5-pin, 连接器与编码器外壳连接 | - |
| SI6 | 轴向, 6-pin, 连接器与编码器外壳连接 | - |
| SI8 | 轴向, 8-pin, 连接器与编码器外壳连接 | ● |
| SI12 | 轴向, 12-pin, 连接器与编码器外壳连接 | ● |
| SI5 | SI6 | SI8 | SI8 | SI12 | SI12 | |
| 5-pin | 6-pin | 8-pin | 8-pin | 12-pin | 12-pin | |
| 连接器图纸 | ![]() | ![]() | ![]() | ![]() | ||
| 电路 | F05, H05, F24, H24, H30 | F05, H05, F24, H24, H30 | P05, R05, P24, R24, R30, 245, 645 | SIN | P05, R05, P24, R24, 245, 645, R30 | SIN |
| 负极 GND | 1 | 6 | 1 | 1 | K, L | K, L |
| 正极 (+) Vcc | 2 | 1 | 2 | 2 | M, B | M, B |
| A | 3 | 2 | 3 | 3 | E | E |
| B | 4 | 4 | 4 | 4 | H | H |
| N | 5 | 3 | 5 | - | C | - |
| - | - | - | - | - | - | - |
| A 反向 | - | - | 6 | 6 | F | F |
| B 反向 | - | - | 7 | 7 | A | A |
| N 反向 | - | - | 8 | - | D | - |
| n. c. 空置 | - | 5 | - | 5, 8 | G, J | D, G, J |
| 屏蔽 | - | - | - | - | - | - |
| 描述 | ABN带反向信号 | |
|---|---|---|
| SH5 | 径向, 5-pin, 连接器与编码器外壳连接 | - |
| SH6 | 径向, 6-pin, 连接器与编码器外壳连接 | - |
| SH8 | 径向, 8-pin, 连接器与编码器外壳连接 | ● |
| SH12 | 径向, 12-pin, 连接器与编码器外壳连接 | ● |
| SH5 | SH6 | SH8 | SH8 | SH12 | SH12 | |
| 5-pin | 6-pin | 8-pin | 8-pin | 12-pin | 12-pin | |
| 连接器图纸 | ![]() | ![]() | ![]() | ![]() | ||
| 电路 | F05, H05, F24, H24, H30 | F05, H05, F24, H24, H30 | P05, R05, P24, R24, R30, 245, 645 | SIN | P05, R05, P24, R24, 245, 645, R30 | SIN |
| 负极 GND | 1 | 6 | 1 | 1 | K, L | K, L |
| 正极 (+) Vcc | 2 | 1 | 2 | 2 | M, B | M, B |
| A | 3 | 2 | 3 | 3 | E | E |
| B | 4 | 4 | 4 | 4 | H | H |
| N | 5 | 3 | 5 | - | C | - |
| - | - | - | - | - | - | - |
| A 反向 | - | - | 6 | 6 | F | F |
| B 反向 | - | - | 7 | 7 | A | A |
| N 反向 | - | - | 8 | - | D | - |
| n. c. 空置 | - | 5 | - | 5, 8 | G, J | D, G, J |
| 屏蔽 | - | - | - | - | - | - |
| 描述 | ABN带反向信号 | |
|---|---|---|
| S2 | 轴向, 7-pin, 连接器与编码器外壳连接 | - |
| 描述 | ABN带反向信号 | |
|---|---|---|
| S3 | 径向, 7-pin, 连接器与编码器外壳连接 | - |
| 描述 | ABN带反向信号 | |
|---|---|---|
| S4 | 轴向, 12-pin, 连接器与编码器外壳连接 | ● |
| 描述 | ABN带反向信号 | |
|---|---|---|
| S5 | 径向, 12-pin, 连接器与编码器外壳连接 | ● |
| 描述 | ABN带反向信号 | |
|---|---|---|
| S4R | 轴向, 12-pin, 连接器与编码器外壳连接 | ● |
| 描述 | ABN带反向信号 | |
|---|---|---|
| S5R | 径向, 12-pin, 连接器与编码器外壳连接 | ● |
| 描述 | ABN带反向信号 | |
|---|---|---|
| SB4 | 轴向, 4-pin, 连接器与编码器外壳连接 | - |
| SB5 | 轴向, 5-pin, 连接器与编码器外壳连接 | - |
| SB8 | 轴向, 8-pin, 连接器与编码器外壳连接 | ● |
| SB12 | 轴向, 12-pin, 连接器与编码器外壳连接 | ● |
| 描述 | ABN带反向信号 | |
|---|---|---|
| SC4 | 径向, 4-pin, 连接器与编码器外壳连接 | - |
| SC5 | 径向, 5-pin, 连接器与编码器外壳连接 | - |
| SC8 | 径向, 8-pin, 连接器与编码器外壳连接 | ● |
| SC12 | 径向, 12-pin, 连接器与编码器外壳连接 | ● |
~ 2500 PPR
最大5000 PPR
(高频响应) 1200 ~ 25000 PPR
1024, 2048 PPR
| 最大转速RPM: | 3200 rpm |
| 可允许轴向轴负载: | 110 N |
| 可允许径向轴负载: | 110 N |
| 最大脉冲PPR: | 25000 ppr |
| 起动力矩: | 常温 5 Ncm |
WDGI 70B实心轴编码器也可以选用带压力补偿隔膜的型号。
该功能可有效阻止水分在高空气
湿度的环境下从外部进入编码器。
IP67防护等级,工作温度范围和耐盐雾腐蚀性的功能都得到了保留,
耐化学腐蚀和溶剂符合DIN EN ISO 2812-1.
请在标准订货型号后加上三位数字来指定需要的电缆长度,单位为分米.
举例: 5 m 电缆 = 050

- Die-cast aluminium housing, powder coated
- Maximum bearing loads of up to 500 N, axial / radial
- Self-adhesive membrane
- High output frequency 600 kHz / 2 MHz
- Extended operating temperature -40 °C to +85 °C

- Incremental and absolute encoders
- Digital shaft copying
- Made in Germany
- Motorfeedback
- Position Measurement Systems

母头连接器 KD-8-40-15-S-DIZ :
使用变频器 : Emotron
适用于连接器出线的 SI8/SH8, 8pin, IP40.
连接器 (Sub-D 15pin, 2行).
直头母头连接器带屏蔽电缆和连接器Sub-D.
母头连接器/连接器外壳与屏蔽线连接

母头连接器 KD-8-40-15-S-RST :
使用变频器 : RST
适用于连接器出线的 SI8/SH8, 8pin, IP40.
连接器 (Sub-D 15pin, 2行).
直头母头连接器带屏蔽电缆和连接器Sub-D.
母头连接器/连接器外壳与屏蔽线连接

母头连接器 KD-8-40-15-S-SDR :
使用 Schindler MX控制器
适用于连接器出线的 SI8/SH8, 8pin, IP40.
连接器 (Sub-D 15pin, 2行).
直头母头连接器带屏蔽电缆和连接器Sub-D.
母头连接器/连接器外壳与屏蔽线连接

母头连接器 KD-8-40-15-S-CTF :
使用变频器 : Control Techniques
适用于连接器出线的 SI8/SH8, 8pin, IP40.
连接器 (Sub-D 15pin, 3行).
直头母头连接器带屏蔽电缆和连接器Sub-D.
母头连接器/连接器外壳与屏蔽线连接

母头连接器 KD-8-40-15-S-KEB :
使用变频器 : KEB
适用于连接器出线的 SI8/SH8, 8pin, IP40.
连接器 (Sub-D 15pin, 3行).
直头母头连接器带屏蔽电缆和连接器Sub-D.
母头连接器/连接器外壳与屏蔽线连接

母头连接器 KD-8-40-15-S-LOH:
使用变频器 : Flender Loher 的类型 : Dynavert L
适用于连接器出线的 SI8/SH8, 8pin, IP40.
连接器 (Sub-D 15pin, 3行).
直头母头连接器带屏蔽电缆和连接器Sub-D.
母头连接器/连接器外壳与屏蔽线连接

母头连接器 KD-8-40-15-S-LIF :
使用变频器 : Liftequip
适用于连接器出线的 SI8/SH8, 8pin, IP40.
连接器 (Sub-D 9pin, 2行).
直头母头连接器带屏蔽电缆和连接器Sub-D.
母头连接器/连接器外壳与屏蔽线连接

母头连接器 KD-8-40-15-S-ZIL :
使用变频器 : Ziehl-Abegg
适用于连接器出线的 SI8/SH8, 8pin, IP40.
连接器 (Sub-D 9pin, 2行).
直头母头连接器带屏蔽电缆和连接器Sub-D.
母头连接器/连接器外壳与屏蔽线连接

波纹管联轴器 BK29
用于与轴直径6毫米,8毫米,10毫米或12毫米*编码器。
Max. offset of shafts radial: ± 0,25 mm or ± 0,30 mm*
Torsion spring stiffness: 150 Nm/rad or 130 Nm/rad*

弹性联轴器 DSK38
用于与轴直径6毫米,8毫米,10毫米或12毫米编码器。
No moving parts, thermally and electrically insulating, smooth running, maintenance-free.
Good resistance to
Gasoline, oil, benzene, toluene, aromatic and non aromatic hydrocarbons, alcohols, glycols, solvents and many chemicals.

弹性联轴器 DSK48
用于与轴直径10毫米,12毫米或14毫米编码器。
No moving parts, thermally and electrically insulating, smooth running, maintenance-free.
Good resistance to
Gasoline, oil, benzene, toluene, aromatic and non aromatic hydrocarbons, alcohols, glycols, solvents and many chemicals.
Here you find a list of our distributors worldwide

























































































